
INSTALUJ.cz
server pro download software
Hledání:
CZ
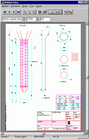
Kreslení armovacích výkresů vrtaných železobetonových pilot. Program umožňuje rychlé generování prováděcí dokumentace pro piloty libovolného průměru a délky.
Piloty jsou vyztuženy rovnoměrně rozdělenou výztuží po obvodu, jsou možné úpravy výztuže v hlavě (ohnutí kvůli kalichu hlavice) a v patě (ohyb do hrotu kvůli manipulaci, zkrácení výztuže). Pomocí střídání dvou různých profilů lze optimalizovat vyztužení průřezu.
Program vygeneruje kompletní výkres armokoše včetně případných distančních třmínků a výkazu výztuže. Přímý tisk výkresů výrazně zvyšuje produktivitu práce a eliminuje rutinní chyby.
V této verzi program neřeší výztuž hlavice, která bude doplněna do následujících verzí.
V případě potřeby program umožňuje export do jiných CAD programů.
| Detail produktu Pilota | |
| Licence | zdarma k vyzkoušení |
| Verze (je už nová verze?) | 1.00 |
| Omezení | demo, nelze zadávat délku piloty |
| Výrobce (vše od výrobce) | Ing. Radek Janka |
| Stránka produktu | http://www.probeton.cz |
| Podporovaný jazyk | Česky |
| Datum vydání | |
| Stažení za týden | 0 |
| Stažení celkem | 229 |
| Hodnocení Instaluj.cz | 0 |
| Hodnocení uživatelé | |
| Operační systém | Windows 95/98/NT |
| Velikost souboru | 332,96 KB |
| Instalace | ano |
| Odinstalace | ano |
| Oznámit novou verzi mailem | |
| download Pilota | |
| 1. | MyFoil | 21 |
| 2. | UEStudio | 11 |
| 3. | Satellite Finder | 7 |
| 4. | Click Translator | 7 |
| 5. | RSTAB CZ | 5 |
| 6. | MultiHasher | 5 |
| 7. | Therm CZ | 4 |
| 8. | Zesesitu CZ | 4 |
| 9. | 3v1 ABC Encyklopedie - Cizí slova CZ | 4 |
| 10. | Kitchen garden aid CZ | 4 |
| 11. | Alkitab Bible Study | 3 |
| 12. | Free DICOM Viewer | 3 |
| 13. | DelProTab CZ | 3 |
| 14. | Cute Translator | 3 |
| 15. | CRANEWAY CZ | 3 |
| 16. | PSYCHOTEST - osobnost, inteligence, výkon, povaha CZ | 3 |
| 17. | Výpočty pro 555 CZ | 2 |
| 18. | Earths Core | 2 |
| 19. | Radar Opus CZ | 2 |
| 20. | ECTmorse | 2 |
ikony pro vás | kontakt | osobní údaje | napište nám | reklama na serveru | přidat software | RSS | lime |